Chip dòng điện không đổi DCDC hoạt động như thế nào trong quy định nguồn điện có độ chính xác cao?

2025-12-19 - Để lại cho tôi một tin nhắn

Tóm tắt bài viết

A Chip hiện tại không đổi DCDClà thành phần cốt lõi trong các hệ thống quản lý nguồn hiện đại, được thiết kế để cung cấp dòng điện đầu ra ổn định và có thể kiểm soát được bất kể sự thay đổi của tải hoặc điện áp đầu vào. Bài viết này cung cấp thông tin tổng quan kỹ thuật toàn diện về cách thức hoạt động của Chip dòng điện không đổi DCDC, kiểm tra các thông số điện chính, khám phá các kịch bản ứng dụng trong thế giới thực và trả lời các câu hỏi kỹ thuật thường gặp. Nội dung được cấu trúc để hỗ trợ việc ra quyết định về mặt kỹ thuật, lựa chọn thành phần và tối ưu hóa hệ thống lâu dài đồng thời phù hợp với hành vi tìm kiếm hiện tại và thói quen đọc sách chuyên nghiệp.

AS6911SGA


Mục lục


Tóm tắt nội dung

  • Nguyên tắc làm việc cơ bản và kiến ​​trúc bên trong
  • Giải thích chi tiết các thông số điện và nhiệt
  • Ứng dụng công nghiệp, ô tô và điện tử tiêu dùng
  • Câu hỏi thường gặp về kỹ thuật giải quyết các thách thức kỹ thuật phổ biến
  • Xu hướng phát triển trong tương lai và tích hợp cấp hệ thống

1. Chip dòng điện không đổi DCDC được thiết kế để điều chỉnh dòng điện như thế nào?

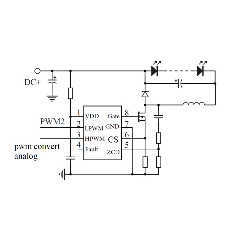
Chip dòng không đổi DCDC là mạch tích hợp quản lý nguồn ở chế độ chuyển mạch, duy trì dòng điện đầu ra cố định bằng cách điều chỉnh linh hoạt chu kỳ nhiệm vụ, tần số chuyển mạch và các vòng điều khiển phản hồi. Không giống như bộ điều chỉnh điện áp không đổi, biến điều khiển chính là dòng điện chứ không phải điện áp, khiến loại chip này cần thiết cho các tải như đèn LED, điốt laser, mạch sạc pin và cảm biến chính xác.

Bên trong, con chip này tích hợp bộ khuếch đại lỗi tốc độ cao, bộ so sánh cảm nhận dòng điện, nguồn điện áp tham chiếu và trình điều khiển MOSFET nguồn. Dòng điện chạy qua tải được lấy mẫu thông qua điện trở cảm nhận bên trong hoặc bên ngoài. Tín hiệu được cảm nhận này được so sánh với ngưỡng tham chiếu và logic điều khiển sẽ điều chỉnh hành vi chuyển mạch để bù cho những thay đổi của đường truyền hoặc tải.

Mục tiêu thiết kế trung tâm là sự ổn định hiện tại trong các điều kiện đầu vào khác nhau. Bằng cách vận hành ở các cấu trúc liên kết Buck, Boost hoặc Buck-Boost, Chip dòng không đổi DCDC có thể hỗ trợ dải điện áp đầu vào rộng trong khi vẫn duy trì hiệu suất và an toàn nhiệt.


2. Các thông số chính xác định hiệu suất của chip dòng không đổi DCDC như thế nào?

Việc chọn Chip dòng không đổi DCDC thích hợp đòi hỏi phải đánh giá chặt chẽ các đặc tính điện, nhiệt và điều khiển của nó. Các thông số này ảnh hưởng trực tiếp đến độ tin cậy, hiệu quả và sự tuân thủ của hệ thống với các tiêu chuẩn quy định.

tham số Phạm vi điển hình Ý nghĩa kỹ thuật
Dải điện áp đầu vào 3V – 60V Xác định khả năng tương thích với bộ pin, bộ chuyển đổi hoặc xe buýt công nghiệp
Độ chính xác hiện tại đầu ra ±1% đến ±5% Xác định độ chính xác của quy định hiện tại dưới tải động
chuyển đổi tần số 100kHz – 2 MHz Ảnh hưởng đến hiệu quả, hiệu suất EMI và kích thước thành phần thụ động
Hiệu quả 85% – 98% Ảnh hưởng trực tiếp đến tản nhiệt và tổn thất điện năng
Bảo vệ nhiệt Tắt máy ở nhiệt độ 150°C – 170°C Ngăn ngừa lỗi thiết bị do quá tải hoặc làm mát không đủ

Các thiết bị tiên tiến cũng tích hợp các tính năng như điều khiển khởi động mềm, giao diện điều chỉnh độ sáng bằng tín hiệu điều khiển bằng tín hiệu điều khiển bằng tín hiệu tương tự, điều chỉnh dòng điện tương tự và chẩn đoán lỗi. Những khả năng này giúp đơn giản hóa thiết kế cấp hệ thống và giảm nhu cầu về mạch điện bên ngoài.


Chip dòng điện không đổi DCDC – Câu hỏi và câu trả lời thường gặp

Câu hỏi: Làm thế nào Chip dòng không đổi DCDC duy trì đầu ra ổn định khi điện áp đầu vào dao động?

Trả lời: Chip liên tục giám sát dòng tải thông qua vòng phản hồi và điều chỉnh chu kỳ nhiệm vụ chuyển mạch theo thời gian thực, bù đắp cho mọi thay đổi về điện áp đầu vào mà không làm thay đổi mức dòng điện quy định.

Câu hỏi: Nhiệt được quản lý như thế nào trong các ứng dụng Chip dòng điện không đổi DCDC dòng điện cao?

Trả lời: Nhiệt được quản lý thông qua cấu trúc liên kết chuyển mạch hiệu suất cao, R thấpDS(bật)MOSFET, mạch ngắt nhiệt và bố trí PCB được tối ưu hóa giúp cải thiện khả năng tản nhiệt.

Hỏi: Trong thiết kế hệ thống, chip dòng không đổi khác với bộ điều chỉnh điện áp không đổi như thế nào?

Trả lời: Chip dòng điện không đổi ưu tiên độ chính xác của dòng điện hơn là độ ổn định điện áp, giúp chip này phù hợp với các tải nhạy cảm với dòng điện trong đó điện áp có thể thay đổi tùy theo điều kiện hoạt động.


3. Chip dòng điện không đổi DCDC được áp dụng trong các ngành như thế nào?

Chip dòng điện không đổi DCDC được triển khai rộng rãi trên nhiều ngành công nghiệp do tính linh hoạt và hiệu quả của chúng. Trong hệ thống chiếu sáng thể rắn, chúng đảm bảo độ sáng đồng đều và kéo dài tuổi thọ đèn LED. Trong thiết bị điện tử ô tô, chúng hỗ trợ hệ thống chiếu sáng thích ứng, cụm thiết bị và hệ thống con quản lý pin.

Các hệ thống tự động hóa công nghiệp sử dụng các chip này để điều khiển các cảm biến, bộ truyền động và các bộ phận quang học yêu cầu hoạt động hiện tại có thể dự đoán được. Các thiết bị y tế dựa vào quy định dòng điện không đổi để đảm bảo độ chính xác của tín hiệu và sự an toàn của bệnh nhân. Điện tử tiêu dùng được hưởng lợi từ sự tích hợp nhỏ gọn và mức tiêu thụ điện năng thấp, đặc biệt là trong các thiết bị di động.

Mỗi kịch bản ứng dụng đặt ra các yêu cầu riêng về điện và môi trường, củng cố tầm quan trọng của việc lựa chọn chip có tính năng bảo vệ và giao diện điều khiển phù hợp.


4. Công nghệ chip hiện tại của DCDC sẽ phát triển như thế nào?

Sự phát triển của công nghệ Chip dòng không đổi DCDC được thúc đẩy bởi nhu cầu ngày càng tăng về hiệu suất cao hơn, khả năng chịu điện áp đầu vào rộng hơn và điều khiển thông minh. Các thiết kế trong tương lai nhấn mạnh vào các vòng điều khiển kỹ thuật số, khả năng điều chỉnh dòng điện thích ứng và tích hợp chặt chẽ hơn với bộ vi điều khiển và giao diện truyền thông.

Các vật liệu bán dẫn có dải rộng như GaN và SiC đang ảnh hưởng đến kiến ​​trúc thế hệ tiếp theo bằng cách cho phép tần số chuyển mạch cao hơn và giảm tổn thất dẫn truyền. Ngoài ra, việc tích hợp hệ thống trên chip đang làm giảm dấu chân trong khi nâng cao độ tin cậy.

Khi các hệ thống điện trở nên phân tán và thông minh hơn, việc điều chỉnh dòng điện không đổi sẽ vẫn là khả năng nền tảng hỗ trợ hiệu quả sử dụng năng lượng và tối ưu hóa hiệu suất.


Công ty TNHH Cokintech Thâm Quyếntập trung vào phát triển và cung cấp các giải pháp Chip dòng không đổi DCDC hiệu suất cao được thiết kế riêng cho các ứng dụng công nghiệp, ô tô và điện tử tiên tiến. Thông qua cải tiến kỹ thuật liên tục và sản xuất chú trọng đến chất lượng, công ty hỗ trợ các thiết kế quản lý năng lượng ổn định và có thể mở rộng.

Để được tư vấn kỹ thuật, tùy chỉnh tham số hoặc đề xuất dành riêng cho ứng dụng, vui lòngliên hệ với chúng tôiđể thảo luận về yêu cầu của dự án và cơ hội hợp tác lâu dài.

Gửi yêu cầu

X
Chúng tôi sử dụng cookie để cung cấp cho bạn trải nghiệm duyệt web tốt hơn, phân tích lưu lượng truy cập trang web và cá nhân hóa nội dung. Bằng cách sử dụng trang web này, bạn đồng ý với việc chúng tôi sử dụng cookie. Chính sách bảo mật