KP2801SGA
  • KP2801SGAKP2801SGA

KP2801SGA

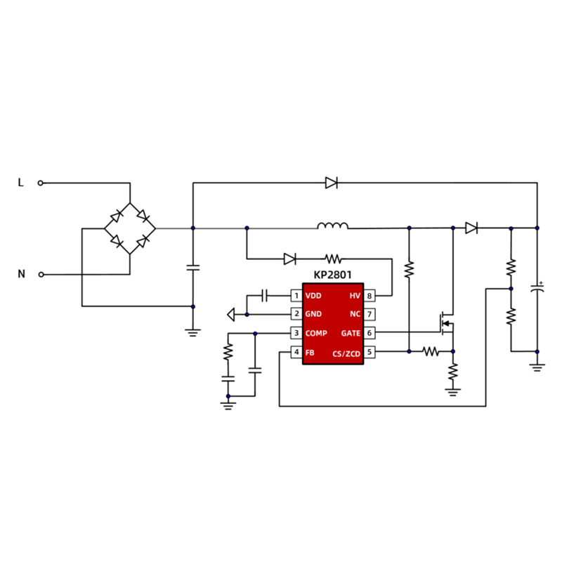
KP2801SGA là bộ điều khiển hiệu chỉnh hệ số công suất điện áp không đổi (PFC) loại cộng hưởng (QR) hiệu suất cao.

Gửi yêu cầu

Mô tả Sản phẩm

Bộ điều khiển hiệu chỉnh hệ số công suất điện áp không đổi loại tăng áp gần như cộng hưởng hiệu suất cao


KP2801SGA là bộ điều khiển hiệu chỉnh hệ số công suất điện áp không đổi (PFC) loại cộng hưởng (QR) hiệu suất cao. Chip hoạt động thích ứng ở chế độ bật quan trọng (CRM) và chế độ bật không liên tục (DCM). Tải đầy khi chip hoạt động trong CRM; Khi giảm tải, chip hoạt động ở DCM và tần số làm việc giảm để nâng cao hiệu quả hệ thống. Bằng cách tối ưu hóa thuật toán điều khiển CRM/DCM và bù tiếp điện áp đường dây đầu vào, chip có thể dễ dàng đạt được hệ số công suất cao (PF) và hiệu suất sóng hài đầu vào (THD) thấp, ngay cả khi chip hoạt động ở DCM. Ngoài ra, con chip này còn cải thiện hơn nữa hiệu suất tải ánh sáng thông qua chế độ Burst và giảm đáng kể tổn thất ở chế độ chờ của hệ thống.


KP2801SGA Mạch khởi động và cấp nguồn điện áp cao tích hợp, không cần nguồn điện bên ngoài có thể đạt được chức năng khởi động và cấp nguồn nhanh. Ngoài ra, công nghệ phát hiện khử từ không cần cuộn dây phụ giúp đơn giản hóa việc thiết kế hệ thống và giảm chi phí sản xuất.


KP2801SGA được tích hợp đầy đủ các tính năng bảo vệ, bao gồm: Bảo vệ thấp áp VDD (UVLO), Bảo vệ quá áp VDD (VDD OVP), Bảo vệ thấp áp đầu vào (BOP), Bảo vệ thấp áp đầu ra (UVP), Bảo vệ quá áp đầu ra hai giai đoạn (OVP), Chu kỳ theo giới hạn dòng điện theo chu kỳ (OCP), Bảo vệ quá dòng bất thường (AOCP), Bảo vệ quá nhiệt (OTP) và bảo vệ ngắn mạch hở chân.


Tính năng chính

• Tích hợp mạch cấp nguồn cao áp 700V, thời gian khởi động <200ms

• Tối ưu hóa hiệu quả tải nhẹ và tối ưu hóa tổn thất ở chế độ chờ

• Hệ số công suất >0,95, THD<8%

• Tối ưu hóa THD tải nhẹ

• Tối ưu hóa hiệu suất động

• Hỗ trợ cuộn cảm đơn

• Điện áp tham chiếu điện áp không đổi ±2% (@Tj=25oC) tích hợp

• Kiểu đóng gói SOP-8


• Chức năng bảo vệ bên trong:

• Bảo vệ quá áp/thấp áp VDD (VDD OVP/UVLO)

• Bảo vệ thấp áp đầu vào (BOP)

• Bảo vệ thấp áp đầu ra (UVP)

• Bảo vệ quá áp đầu ra hai giai đoạn (OVP)

• Giới hạn hiện tại của chu kỳ (OCP)

• Bảo vệ quá dòng bất thường (AOCP)

• Bảo vệ quá nhiệt (OTP)

• Pin hở bảo vệ ngắn mạch


Ứng dụng điển hình

• Nguồn điện chiếu sáng LED và nguồn điện bộ chuyển đổi



Liên hệ với chúng tôi

Trụ sở chính Thâm Quyến: Tầng 10, Tòa nhà Trung tâm Nghiên cứu và Phát triển, Khu công nghiệp EVOC, 

Gđường uangming, Quảng Minh Quận, Thành phố Thâm Quyến, Tỉnh Quảng Đông, Trung Quốc

Trang web chính thức của công ty: www.cokinsemi.com

 

E-mail: wyq@cokinic.com

Điện thoại:+86-18681585060

 




Thẻ nóng: KP2801SGA, Trung Quốc, Nhà sản xuất, Nhà cung cấp, Nhà máy, Tùy chỉnh, Giá thấp, Chất lượng, Cao cấp, Bền, Bán mới nhất, Còn hàng
Danh mục liên quan
Gửi yêu cầu
Xin vui lòng gửi yêu cầu của bạn trong mẫu dưới đây. Chúng tôi sẽ trả lời bạn trong 24 giờ.
Những sảm phẩm tương tự
X
Chúng tôi sử dụng cookie để cung cấp cho bạn trải nghiệm duyệt web tốt hơn, phân tích lưu lượng truy cập trang web và cá nhân hóa nội dung. Bằng cách sử dụng trang web này, bạn đồng ý với việc chúng tôi sử dụng cookie. Chính sách bảo mật
Từ chối Chấp nhận