KP1463SPA
  • KP1463SPAKP1463SPA

KP1463SPA

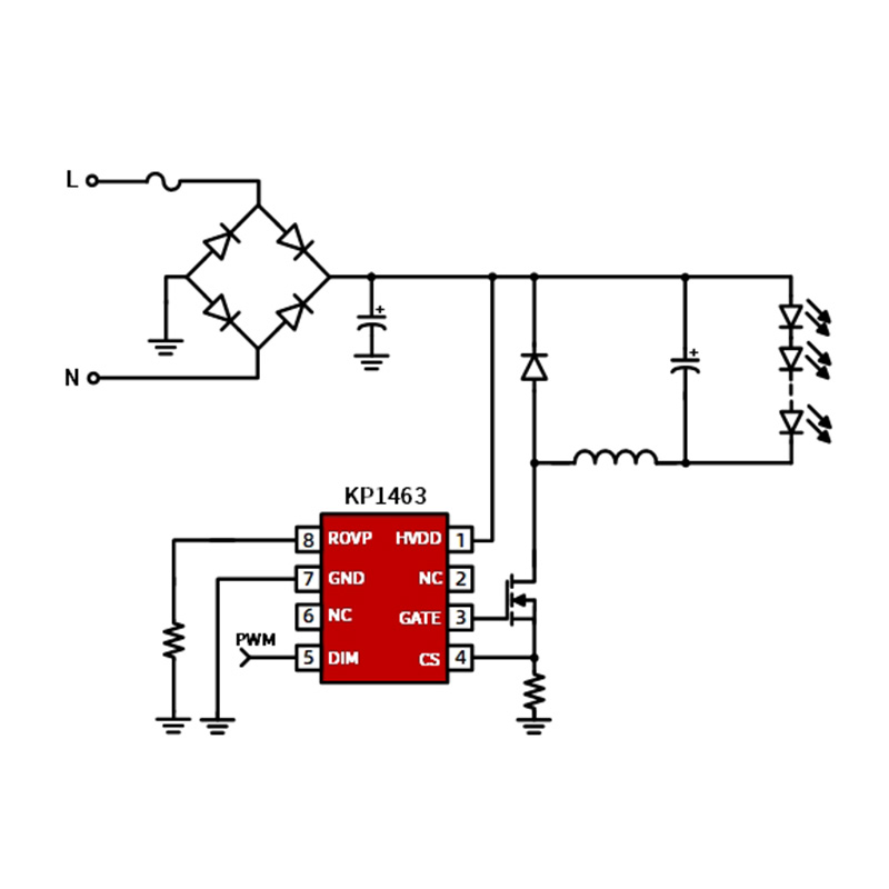
KP1463SPA là bộ điều khiển dòng điện không đổi LED điều chỉnh độ sáng, có độ chính xác cao, phù hợp với nguồn điện dòng không đổi LED bước xuống không cách ly với đầy đủ dải điện áp đầu vào AC.

Gửi yêu cầu

Mô tả Sản phẩm

Bộ điều khiển dòng điện không đổi LED bước xuống có độ chính xác cao, độ mờ sâu


KP1463SPA là bộ điều khiển dòng điện không đổi LED mờ, có độ chính xác cao, thích hợp cho nguồn điện dòng không đổi LED bước xuống không cách ly với đầy đủ điện áp đầu vào AC. KP1463 hỗ trợ làm mờ đầu vàoPWM, độ sâu làm mờ tối thiểu có thể đạt 0,1%, dòng điện gợn đầu ra thấp, làm mờ hoàn toàn mà không bị giật hình và hỗ trợ chế độ chờ, mức tiêu thụ điện ở chế độ chờ dưới 20mW.


Mạch cấp nguồn cao áp 650V tích hợp bên trong KP1463SPA, không cần điện trở khởi động và cuộn dây phụ, có thể nhận ra nguồn điện độc lập với chip mà còn tiết kiệm tụ điện bên ngoài truyền thống, tăng tốc thời gian khởi động và tiết kiệm đáng kể chi phí điện năng LED cung cấp. Mạch hoạt động ở chế độ gần như cộng hưởng của sự dẫn dòng điện cảm tới hạn và áp dụng công nghệ lấy mẫu dòng điện có độ chính xác cao đặc biệt kết hợp với bù bên trong, có thể đạt được độ chính xác dòng điện không đổi cao và tốc độ điều chỉnh đầu ra và đầu vào tuyệt vời.


KP1463SPA tích hợp nhiều chức năng bảo vệ khác nhau, bao gồm bảo vệ mạch hở LED, bảo vệ ngắn mạch LED, bảo vệ quá dòng theo chu kỳ, bảo vệ quá nhiệt, v.v., để nâng cao độ an toàn và độ tin cậy của nguồn điện LED. Điện áp bảo vệ mạch hở LED có thể được đặt liên tục thông qua chân ROVP.


Tính năng chính

• Tích hợp nguồn điện cao thế, không cần điện trở khởi động, không cần tụ VCC

• Kiểm soát dòng điện có độ chính xác cao <±2%@100% đầu ra

• Điều chỉnh độ sáng xung rộng phạm vi rộng, 0,1-100%

• Làm mờ hoàn toàn mà không cần hoạt nghiệm

• Chế độ vận hành gần như cộng hưởng hiệu suất cao

• Tiêu thụ điện năng ở chế độ chờ thấp <20mW


• Chức năng bảo vệ:

• Bảo vệ mạch hở LED có thể điều chỉnh liên tục

• Đèn LED bảo vệ ngắn mạch

• Bảo vệ quá dòng theo chu kỳ

• Bảo vệ quá nhiệt

• Kiểu đóng gói SOP-8


Ứng dụng tiêu biểu

• Đèn trần LED thông minh

• Ứng dụng đèn LED thông minh khác



Liên hệ chúng tôi

Trụ sở chính Thâm Quyến: Tầng 10, Tòa nhà Trung tâm Nghiên cứu và Phát triển, Khu công nghiệp EVOC, 

Gđường uangming, Quảng Minh Quận, Thành phố Thâm Quyến, Tỉnh Quảng Đông, Trung Quốc

Trang web chính thức của công ty: www.cokinsemi.com

 

E-mail: wyq@cokinic.com

Điện thoại:+86-18681585060

 




Thẻ nóng: KP1463SPA, Trung Quốc, Nhà sản xuất, Nhà cung cấp, Nhà máy, Tùy chỉnh, Giá thấp, Chất lượng, Cao cấp, Bền, Bán mới nhất, Còn hàng
Danh mục liên quan
Gửi yêu cầu
Xin vui lòng gửi yêu cầu của bạn trong mẫu dưới đây. Chúng tôi sẽ trả lời bạn trong 24 giờ.
X
Chúng tôi sử dụng cookie để cung cấp cho bạn trải nghiệm duyệt web tốt hơn, phân tích lưu lượng truy cập trang web và cá nhân hóa nội dung. Bằng cách sử dụng trang web này, bạn đồng ý với việc chúng tôi sử dụng cookie. Chính sách bảo mật
Từ chối Chấp nhận