KP28162SGA
  • KP28162SGAKP28162SGA

KP28162SGA

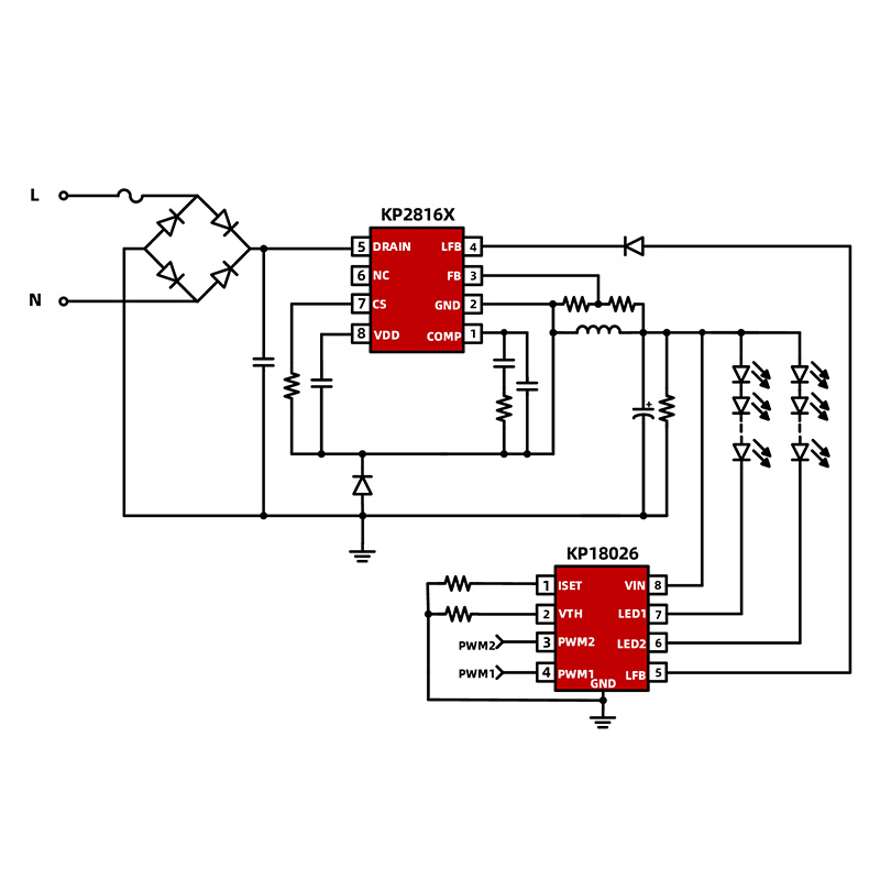
KP28162SGA là chip nguồn BUCK điện áp không đổi không cách ly PFC cao một tầng. Con chip này áp dụng chế độ hoạt động gần như cộng hưởng và điều chỉnh thích ứng điện áp đầu ra, không chỉ đáp ứng các yêu cầu điện áp của dòng điện không đổi tuyến tính giai đoạn sau mà còn cải thiện hiệu suất hệ thống.

Gửi yêu cầu

Mô tả Sản phẩm

Chip MOS tích hợp điện áp không đổi BUCK không cách ly PF cao, làm mờ không cách ly mà không cần chip hoạt nghiệm


KP28162SGA là công tắc nguồn đầu ra có điện áp không đổi dành cho các ứng dụng đèn LED điều chỉnh độ sáng và tăng tông màu. Con chip này áp dụng chế độ gần như cộng hưởng và điều chỉnh thích ứng điện áp đầu ra, không chỉ đáp ứng yêu cầu điện áp của dòng điện không đổi tuyến tính sau giai đoạn mà còn cải thiện hiệu quả của hệ thống. KP28162SGA có MOSFET nguồn điện áp cao 500V tích hợp và mạch cấp nguồn và khởi động điện áp cao, giúp đơn giản hóa chi phí sản xuất và thiết kế hệ thống. Con chip này có chế độ giảm tần số tải nhẹ, có thể cải thiện độ ổn định của hệ thống khi tải nhẹ hoặc không tải và mang lại hiệu quả cao. KP28162 được tích hợp các chức năng bảo vệ hoàn chỉnh, bao gồm: Bảo vệ thấp áp VDD (UVLO), bảo vệ quá áp đầu ra (OVP), bảo vệ ngắn mạch đầu ra (SCP), giới hạn dòng điện chu kỳ (OCP), bảo vệ quá nhiệt tích hợp, xóa cạnh đầu (LEB) ), vân vân.


Tính năng chính

• Chế độ làm việc gần như cộng hưởng, hiệu quả cao

• Hệ số công suất >0,7

• Kiến trúc điều khiển điện áp không đổi thích ứng được cấp bằng sáng chế

• Tích hợp mạch khởi động và cấp nguồn điện áp cao

• Tích hợp MOSFET điện áp cao 500V

• Không có tiếng ồn trong phạm vi đầy tải

• Kiểu đóng gói SOP-8


• Tích hợp tính năng bảo vệ:

• Bảo vệ thấp áp VDD (VDD UVLO)

• Bảo vệ quá áp đầu ra (OVP)

• Bảo vệ ngắn mạch đầu ra (SCP)

• Bảo vệ quá nhiệt (OTP)

• Xóa khoảng trống phía trước (LEB)


Ứng dụng tiêu biểu

• Chiếu sáng thông minh điều chỉnh độ sáng và màu sắc

• Nguồn điện áp không đổi



Liên hệ chúng tôi

Trụ sở chính Thâm Quyến: Tầng 10, Tòa nhà Trung tâm Nghiên cứu và Phát triển, Khu công nghiệp EVOC, 

Gđường uangming, Quảng Minh Quận, Thành phố Thâm Quyến, Tỉnh Quảng Đông, Trung Quốc

Trang web chính thức của công ty: www.cokinsemi.com

 

E-mail: wyq@cokinic.com

Điện thoại:+86-18681585060

 




Thẻ nóng: KP28162SGA, Trung Quốc, Nhà sản xuất, Nhà cung cấp, Nhà máy, Tùy chỉnh, Giá thấp, Chất lượng, Cao cấp, Bền, Bán mới nhất, Còn hàng
Danh mục liên quan
Gửi yêu cầu
Xin vui lòng gửi yêu cầu của bạn trong mẫu dưới đây. Chúng tôi sẽ trả lời bạn trong 24 giờ.
Những sảm phẩm tương tự
X
Chúng tôi sử dụng cookie để cung cấp cho bạn trải nghiệm duyệt web tốt hơn, phân tích lưu lượng truy cập trang web và cá nhân hóa nội dung. Bằng cách sử dụng trang web này, bạn đồng ý với việc chúng tôi sử dụng cookie. Chính sách bảo mật
Từ chối Chấp nhận